欧洲机床网
瑞士Kummer以车代磨车床
产地:瑞士
品牌:瑞士库默尔Kummer
编码:

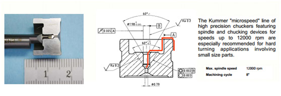
      瑞士Kummer公司生产的车床,是高精密车削加工机床,完全可以达到 “以车代磨”的加工效果,粗糙度可达Ra0.2,可使被加工的高硬度零件获得良好的表面粗糙度及镜面效果。
      
      
      瑞士Kummer库默尔的车床适用于各种行业,如:汽车、消费电子、航空、光学、纺织等领域,是关键领域的高精度、大规模生产的加工手段的保证!
      
      瑞士Kummer库默尔在硬车削加工领域是世界级的专家公司,公司创立于1917 年,专注于高精密车削领域,使得Kummer公司多年来,始终走在以车代磨工艺的前端!
      
      
      
      
      

转载请标注来源 http://www.ouzhoujc.com
  • 欧峰•凯斯勒(AKS)连杆专用设备介绍 欧峰•凯斯勒(AKS)专用设备公司是连杆机加工、装配以及产线自动化领域的专家,是40年全球连杆机加工的市场领导者。
  • IRB 2600工业机器人 IRB 2600工业机器人全新的紧凑型设计,使机器人的最高荷重可达20 kg,并使其在物料搬运,上下料以及弧焊应用中的工作范围得到最优化.IRB 2600具有同类产品中最高的精确度及加速度,可确保高产量及低废品率从而提高生产率.
  • 德国奥美特五轴立式加工中心GS1000 以下是德国奥美特五轴立式加工中心GS1000参数:
  • 瑞士TRIMOS VT数显测高仪系列 瑞士Trimos公司独有专利双向测力系统保证仪器有更好的稳定性和重复性。友好的人机界面,提供编程功能键。可测量高度、深度、槽宽、内外径、孔心距、轴心距,平面度、平面角度和垂直度、直线度(需另选附件)。彩色电脑触摸屏图形提示操作,功能键盘简单,避免了对复杂功能键的培训记忆。功能强大、操作简单,易于培训掌握。
  • MAG PRO激光切割机 MAG PRO激光切割机那些已装备了比如OR Laser的HTS Mobile激光系统的公司会对PRO型号很感兴趣。PRO激光机很容易集成,例如,可以结合到生产设施内,进行编号生产。由于PRO激光机的灵活性,它能适用于任何尺寸的工件。作为选项,可以加装"飞行打标",非常适合用于在移动的部件上打标签